
CAN Bus: 차량 내 네트워크 진단 및 분석 체계
RIGOL OSC

CAN Bus: 차량 내 네트워크 진단 및 분석 체계
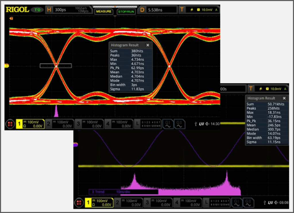
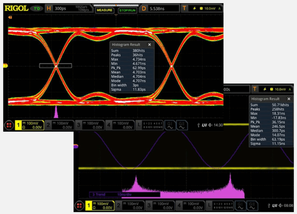
현대차의 복잡한 네트워크 진단을 위해 오실로스코프 물리 계층 분석은 필수입니다. CAN, LIN 등 시리얼 버스 신호 무결성을 아이 다이어그램과 디코딩 기술로 정밀 검증하는 핵심 방법론을 소개합니다.
RIGOL OSC
시리얼 통신 분석과 신호 무결성(SI) 측정을 위한 고성능 전자계측 솔루션
프로토콜 디코딩·고속 파형 분석 등 현장에서 필요한 핵심 기능을 정확하게 제공합니다.
AIoT·임베디드·자동차 전장 개발을 지원하는 전문 테스트 장비로 설계 완성도를 높이세요.

이더넷 물리 계층 적합성 테스트
네트워크 기기가 어떤 환경에서도 안정적이고 신뢰성 있게 상호 연결될 수 있도록 포괄적인 이더넷 물리 계층 적합성 테스트 솔루션을 제공합니다.
이더넷 물리 계층 적합성 테스트 솔루션은 IEEE 표준을 엄격히 준수하며, Eye-diagram, Jitter 및 반사 손실 등 핵심 파라미터에 대한 자동화된 테스트를 통해 다양한 속도에서의 신호 품질을 정확하게 평가합니다.
디자인 결함을 빠르게 찾아내고 제품이 우수한 상호 운용성을 갖도록 보장하며, 제품 인증 가속화 및 시장 진출의 핵심이 됩니다.

Eye-diagram & Jitter
오실로스코프를 사용한 Eye-diagram 측정은 디지털 신호의 전송 품질을 시각적으로 표시함으로써, 시스템 코드 사이의 혼선 강도를 이해하고 시스템 설계를 개선하는 데 도움이 됩니다. Eye-diagram, Histogram, Jitter trend를 사용하여 오류 소스를 시각화하여 고속 클럭 및 디지털 데이터 라인에서 미묘한 타이밍 효과를 디버깅할 수 있습니다. 가장 일반적인 Jitter 및 Eye-diagram을 측정하여 시각화 기능을 결합할 수 있습니다.

상세 어플리케이션

RIGOL OSC

현대차의 복잡한 네트워크 진단을 위해 오실로스코프 물리 계층 분석은 필수입니다. CAN, LIN 등 시리얼 버스 신호 무결성을 아이 다이어그램과 디코딩 기술로 정밀 검증하는 핵심 방법론을 소개합니다.
RIGOL OSC

RIGOL OSC
- DS80000/70000 시리즈
RIGOL AWG
- DG 5000/900 Pro 시리즈

신호 무결성 보장을 위한 필수 과정, 이더넷 적합성 테스트의 핵심 절차와 구성을 소개합니다.
MLT-3 및 4D-PAM5 인코딩 신호 분석부터 아이 다이어그램(Eye Diagram), 지터(Jitter) 측정까지 웨이브인센스의 솔루션을 활용한 완벽한 테스트 가이드를 확인해 보세요.
RIGOL OSC
- DS80000/70000 시리즈
RIGOL AWG
- DG 5000/900 Pro 시리즈

RIGOL OSC
- DS70000 시리즈
- DS80000 시리즈

데이터 무결성을 위한 USB 2.0 신호 품질 테스트 가이드입니다. 지터, Rise/Fall Time, 아이 다이어그램 분석을 포함한 웨이브인센스만의 최적화된 컴플라이언스 테스트 솔루션을 확인해 보세요.
RIGOL OSC
- DS70000 시리즈
- DS80000 시리즈

RIGOL OSC 전체

임베디드 데이터 전송의 핵심인 I2C와 SPI의 원리와 검증 방법을 소개합니다. 마스터-슬레이브 분석부터 전이중 통신, 프로토콜 디코딩까지 웨이브인센스의 솔루션으로 시스템 설계를 완성하세요.
RIGOL OSC 전체
관련 제품
관련 리소스
카테고리
제목
설명
다운로드
RIGOL 오실로스코프를 이용한 이더넷 PHY 테스트 방법
(100BASE-TX & 1000BASE-T)
상담 및 데모 문의